Speziell gebautes Gleichstromschutz für PV-Arrays.
Diese Surge -Arrestärs vom Typ 2 schützen PV -Saiten, Busbarnen und Wechselrichtereingänge vor transienten Überspannungen, die durch Blitzereignisse oder Schaltvorgänge verursacht werden. Sie stellen sicher, dass die Equipotential -Bindung sowohl positiver als auch negativer PV -Busbars die Systemüberzeiten über alle Blitzschutzniveaus (LPL I - IV) aufrechterhalten.
U oder y Verbindung - sorgen dafür, was Ihr Design braucht.
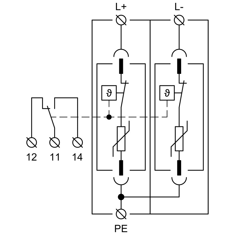
U -Anschluss: Konventionelle Schutztopologie für PV -DC -Schaltungen.
Y -Anschluss: Varistoren, die an PE angeordnet sind, sodass die Arbeitsleiter gegen die Erde resistent bleiben und es durch den PE -Leiter keinen Rest (Leckage) gibt, das EMK -Verhalten verbessert und die Belästigungsstrompfade minimiert.
Eingebaute Sicherheit-keine Sicherungssicherung erforderlich.
Bestimmte Varistorsektoren zwischen L+, L- und PE sind jeweils mit internen thermischen Trennschriften ausgestattet. Wenn ein Varistor am Ende des Lebens (Überhitzungen) erreicht wird, weist die Trennstöcke sichtbar, die einen Fehler und den DC-Strom unterbrechen. Dank ihrer besonderen Konstruktion können diese Verhaftungen ohne separate Sicherungssicherung installiert werden (vorbehaltlich der Systemkoordination).
Flexible Bereitstellung mit oder ohne externe LPS.
Installieren Sie auf der Gleichstromseite der PV -Systeme entweder ohne externes Blitzschutzsystem (LPS) oder mit einem LPS, wenn der erforderliche Trennabstand „S“ beibehalten wird. Dies unterstützt eine sichere Integration in Neubauten und Nachrüstungen gleichermaßen.
Service- und Überwachungsoptionen.
M-Indikation: Version mit einem abnehmbaren Schutzmodul (Plug-in) für einen schnellen Austausch.
S Indikation: Version mit Remote -Überwachungskontakt für die Statussignalisierung an SCADA/PLC/Alarm -Relais.
Typische Anwendungen
PV-Saiten, Combiner/Re-Combiner-Boxen und Wechselrichter DC-Eingänge
PV-Installationen im Versorgungsmaßstab, im Bereich Gewerbe- und Industrie- sowie PV-Anlagen auf dem Dach
Stellen mit oder ohne externe LPS, an denen der Trennungsabstand „S“ beobachtet wird
Schlüsselmerkmale auf einen Blick
Typ -2 -Überspannungsanbieter für PV -DC -Systeme (U oder Y -Verbindung)
Y Verbindungsvorteil: Erde-resistente Arbeitsleiter und Null-PE-Leckage
Interne thermische Trennschriften auf Varistorpfaden (L+, L-, PE)
Gleichstromunterbrechung am Fehler; Keine Sicherungssicherung erforderlich
Für alle LPL -Werte geeignet; Unterstützt die Equipotential -Bindung
M = abnehmbares Modul; S = Kontaktüberwachungskontakt

